

















WIDEODOMOFON EURA VDP-86A3 – monitor 10″ czarny TUYA
1 198,99 zł
wideodomofon wideodomofony wideodomofon wifi wideodomofon eura wideodomfon z klawiaturą ; wideodofon do domu jednorodzinnego jaki wideodomofon z aplikacją na telefon
-
Złoty polski (zł) - PLN
-
Euro (€) - EUR
-
Korona czeska (Kč) - CZK
- Opis
- Informacje dodatkowe
- Opinie (0)
Opis


Zestaw wideodomofonowy 1-rodzinny Eura VDP-86A3 Wi-Fi 10″ – najważniejsze cechy:
- Zestaw wideodomofonowy 1-rodzinny z możliwością rozbudowy o kolejne stacje bramowe oraz monitory
- Wbudowana w stację bramową kamera o rozdzielczości 2 MPx CMOS i szerokim kątem widzenia 120°
- Wbudowany czytnik kart i breloków oraz szyfrator dotykowy
- Monitor wewnętrzny – 10″ zapewniający wysoką jakość obrazu
- Wbudowany moduł Wi-Fi umożliwiający obsługę wideodomofonu za pomocą aplikacji Tuya
- Sterowanie 2 wejściami (furtka+brama)
- 5 sztuk breloków zbliżeniowych w zestawie

Poznaj zalety zestawu wideodomofonowego 1-rodzinnego Eura VDP-86A3 z modułem Wi-Fi i kamerą 2 MPx
- Poszukując kompleksowego rozwiązania do kontroli strefy wejścia na teren posesji, warto zwrócić uwagę na jednorodzinny wideodomofon Eura VDP-86A3.
- Monitor VDA-86A3, wyposażony w 10″, dotykowy ekran, pozwala na zapis obrazów oraz rejestrację filmów na karcie micro SD o pojemności do 128GB. Dzięki technologii AHD, rozdzielczość 1024×600 dpi zapewnia najwyższą jakość obrazu.
- Urządzenie posiada także wbudowany moduł Wi-Fi umożliwiający obsługę za pomocą aplikacji Tuya, dostępnej na platformach Android i iOS. Po naciśnięciu przycisku wywołania na kasecie zewnętrznej, monitor oraz smartfon z aplikacją mobilną otrzymują równoległe powiadomienia, umożliwiające odbieranie połączeń, sterowanie ryglem elektromagnetycznym i automatem bramowym, a także wykonywanie zdjęć i rejestrację filmów w trakcie połączenia.
- Montowana natynkowo kaseta zewnętrzna VDA-84A3, wykonana ze stopu aluminium, idealnie mieści się na wąskim słupku i jest odporna na warunki atmosferyczne (stopień ochrony IP44). Kamera rejestruje obraz w rozdzielczości Full HD 1080p, z obiektywem o poziomym polu widzenia 120º i pionowym 60º. Wejście na posesję jest możliwe za pomocączytnika zbliżeniowego obsługującego breloki i karty w standardzie Mifare 13,56 MHz lub szyfratora po wpisaniu kodu PIN. Dodatkowo, kaseta zewnętrzna wyposażona jest w oświetlenie nocne LED.
- Wideodomofon pozwala na rozbudowę o dodatkowe kasetki zewnętrzne, 5 monitorów podrzędnych (slave) oraz 2 kamery pracujące w standardzie AHD 1080P.
- Zaawansowane funkcje oraz wysoka jakość wykonania czynią wideodomofon Eura VDP-86A3 doskonałym wyborem dla tych, którzy dbają o bezpieczeństwo i komfort na swojej posesji.


Przeznaczenie zestawu wideodomofonowego 1-rodzinnego Eura VDP-86A3 z modułem Wi-Fi i kamerą 2 MPx
Wideodomofon jednorodzinny Eura VDP-86A3, ze swoimi zaawansowanymi funkcjami i wszechstronnymi możliwościami, idealnie sprawdzi się w wielu różnych miejscach i sytuacjach.
Oto kilka przykładów jego potencjalnego zastosowania:
- Dom jednorodzinny: jest to naturalne środowisko dla wideodomofonu Eura VDP-86A3. Zapewnia on wygodne i bezpieczne rozwiązanie kontroli dostępu do domu, umożliwiając identyfikację osób na wejściu poprzez czytnik zbliżeniowy lub szyfrator, a także przez monitor wewnątrz domu. Wbudowany moduł Wi-Fi i integracja z aplikacją Tuya umożliwiają również kontrolę dostępu za pomocą smartfona, co jest wygodne zarówno dla domowników, jak i gości.
- Apartament: wideodomofon Eura VDP-86A3 może być również stosowany w apartamentach jako narzędzie do kontroli dostępu. Zapewniając sobie możliwość jednoczesnego otwierania dwóch wejść, mieszkańcy mogą skorzystać z jednego urządzenia do monitorowania zarówno głównego wejścia do budynku, jak i wejścia do swojego mieszkania. Funkcja szyfratora i czytnika zbliżeniowego przydaje dodatkowej warstwy bezpieczeństwa.
- Biuro: w biurach, gdzie kontrola dostępu jest kluczowa, wideodomofon Eura VDP-86A3 może być używany do monitorowania głównego wejścia do budynku oraz innych kluczowych punktów dostępowych. Funkcja rejestracji obrazu pozwala na monitorowanie aktywności na terenie biura, a integracja z aplikacją Tuya umożliwia szybką reakcję na wszelkie sytuacje.
- Sklep lub punkt usługowy: w miejscach handlowych lub punktach usługowych, gdzie kontrola dostępu i monitorowanie wejścia są istotne, wideodomofon Eura VDP-86A3 może być wykorzystany do zapewnienia bezpieczeństwa klientów i pracowników. Funkcja rejestracji obrazu oraz integracja z aplikacją Tuya umożliwiają właścicielom sklepów monitorowanie aktywności nawet wtedy, gdy są poza miejscem pracy.
- Osiedle mieszkalne: w przypadku osiedli mieszkalnych lub kompleksów mieszkaniowych, gdzie kontrola dostępu i bezpieczeństwo są kluczowe, wideodomofon Eura VDP-86A3 może być zainstalowany przy każdym wejściu do budynku lub osiedla. Funkcja otwierania dwóch wejść, szyfrator i czytnik zbliżeniowy umożliwiają mieszkańcom i personelowi osiedla łatwe i bezpieczne wejście.

Zewnętrzny panel bramowy Eura VDA-84A3 odporny na trudne warunki atmosferyczne – kompleksowe rozwiązanie kontroli dostępu do każdej posesji
Panel bramowy VDA-84A3 zapewnia kompleksowe rozwiązanie kontroli dostępu do posesji, gwarantując nie tylko bezpieczeństwo, ale także wygodę użytkowania dla mieszkańców czy pracowników.
Dzięki swoim zaletom i funkcjom, doskonale współgra z systemem wideodomofonowym Eura VDP-86A3.
- Niski pobór mocy: podczas czuwania zużywa jedynie 0,5 W, co sprawia, że jest energooszczędny, a w trakcie pracy zużywa zaledwie 6 W, co pozwala na efektywne wykorzystanie energii.
- Natynkowysposób montażu: montaż panelu bramowego jest szybki i prosty, co pozwala na łatwe zamocowanie go na wąskim słupku czy ścianie.
- Wysoka rozdzielczość obrazu: zapewnia obraz w jakości 1080P, co umożliwia bezproblemowe rozpoznanie osób znajdujących się przy panelu.
- Szeroki kąt widzenia kamery: kąt widzenia wynoszący 120º poziomo sprawia, że panel rejestruje szeroki obszar przed nim, co zwiększa zakres obserwacji.
- Czytnik zbliżeniowy i szyfrator: dodatkowe warstwy zabezpieczeń ułatwiające dostęp do posesji poprzez możliwość użycia breloka lub wprowadzenia kodu PIN.
- Solidna konstrukcja: wykonany ze stopu aluminium, panel jest odporny na trudne warunki atmosferyczne i mechaniczne uszkodzenia, co zapewnia jego trwałość i niezawodność.
- Oświetlenie nocne: panel bramowy wyposażony został w 5 diod LED emitujących białe światło, co pozwala na dobrą widoczność nawet w warunkach niskiego oświetlenia.
- Szeroki zakres temperatury pracy: panel może działać w szerokim zakresie temperatur, od -15ºC do +45ºC, co sprawia, że nadaje się do użytku w różnych warunkach klimatycznych.
- Wodoodporność: panel bramowy posiada współczynnik ochrony IP44, co oznacza, że jest odporny na zachlapania i warunki atmosferyczne.
- Kompaktowe wymiary i niska waga: panel zewnętrzny Eura VDA-84A3 jest łatwy w montażu i nie zajmuje dużo miejsca.

Czarny monitor wideodomofonowy Eura VDA-86A3 z 10″ dotykowym ekranem – zapisuj obrazy, rejestruj filmy, ciesz się sygnałem wideo w technologii AHD
Monitor wideodomofonowy VDA-86A3 w kolorze czarnym, będący nieodłączną częścią zestawu wideodomofonowego Eura VDP-86A3, posiada szereg zalet, funkcji i zastosowań.
Monitor wideodomofonowy VDA-86A3 jest idealnym rozwiązaniem do kontroli dostępu i monitorowania wejścia na posesję. Dzięki swoim zaletom i funkcjom zapewnia wygodę, bezpieczeństwo i elastyczność w zakresie obsługi systemu wideodomofonowego.
- Wysoka jakość obrazu: dzięki technologii AHD oraz rozdzielczości ekranu wynoszącej 1024×600 dpi zapewnia najwyższą jakość obrazu, co umożliwia wyraźne i szczegółowe obserwowanie osób znajdujących się przed kamerą.
- Możliwość zapisu obrazów i filmów: monitor umożliwia zapis obrazów lub rejestrację filmów na karcie micro SD o maksymalnej pojemności 128GB, co pozwala na dokumentowanie zdarzeń oraz prowadzenie monitoringu. UWAGA: karta pamięci nie stanowi elementu zestawu i należy zakupić ją osobno!
- Integracja z aplikacją mobilną: dzięki wbudowanemu modułowi Wi-Fi, monitor VDA-86A3 może być obsługiwany za pomocą aplikacji Tuya dostępnej na platformach Android i iOS. Pozwala to na odbieranie połączeń, sterowanie różnymi funkcjami systemu oraz rejestrację filmów i zdjęć poprzez smartfon.
- Funkcja głośnomówiąca: monitor jest wyposażony w głośnomówiący system, co umożliwia prowadzenie dwukierunkowej komunikacji pomiędzy osobami znajdującymi się przy panelu zewnętrznym a monitorem wewnętrznym.
- Niski pobór mocy: podczas czuwania zużywa jedynie 2W, co sprawia, że jest energooszczędny, a w trakcie pracy zużywa zaledwie 9W, co pozwala na efektywne wykorzystanie energii.
- Wielojęzyczne menu: monitor VDA-86A3 posiada wielojęzyczne menu, co pozwala użytkownikom wybrać preferowany przez nich język interfejsu.
- Zgodność z różnymi formatami plików: obsługuje różne formaty plików wideo (MOV) i zdjęć (JPG), co zapewnia elastyczność w zakresie sposobu zapisu i odtwarzania materiałów.
- Wysoki zakres temperatury pracy: monitor VDA-86A3 może działać w zakresie temperatur od 0ºC do +40ºC, co sprawia, że nadaje się do użytku w różnych warunkach klimatycznych.
- Łatwy montaż: dzięki kompaktowym wymiarom i niskiej wadze, monitor VDA-86A3 jest łatwy w montażu i nie zajmuje dużo miejsca.

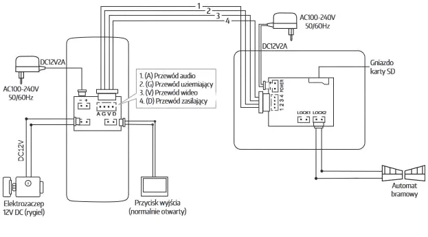
Zestaw wideodomofonowy 1-rodzinny Eura VDP-86A3 Wi-Fi 10″ – schemat podłaczenia:



Kaseta zewnętrzna (panel bramowy) Eura VDA-84A3 – specyfikacja:
- Pobór mocy kasety zewnętrznej (czuwanie / praca): 0,5 W / 6 W
- Sposób montażu kasety zewn.: natynkowy
- Rozdzielczość obrazu: 1080P
- Kąt widzenia kamery w poziomie: 120º
- Typ przetwornika kamery: Kolor CMOS 1/4”
- Czytnik zbliżeniowy: tak (brelok, 5 sztuk breloków w zestawie)
- Szyfrator: tak, dotykowy (podświetlane klawisze)
- Daszek ochronny: tak
- Materiał obudowy: stop aluminium
- Napięcie wyjściowe dla rygla elektromagnetycznego: 12V DC
- Oświetlenie nocne: 5 diod LED (światło białe) z cz. zmierzchowym
- Maks. moc promieniowania: <5mW
- Częstotliwość pracy czytnika zbliżeniowego: Mifare 13,56 kHz
- Współczynnik ochrony kasety zewnętrznej: IP44
- Temperaturowy zakres pracy kasety: -15ºC ~ +45ºC
- Wymiary kasety zewn. (W x SZ x G): 170 x 65 x 39 mm
- Waga netto kasety: 340 g

Monitor wideodomofonowy Eura VDA-86A3 w kolorze czarnym – specyfikacja:
- Pobór mocy monitora – czuwanie / praca: 2 W / 9 W
- Wielkość ekranu monitora: 10”
- Typ ekranu: Kolor TFT-LCD
- Rozdzielczość ekranu: 1024 × 600 pikseli
- Rodzaje wyjść: Wyjście 1: 12V DC 350mA | Wyjście 2: N.O. 1A/ 24V DC Max
- Głośnomówiący: Tak
- Wbudowany moduł WiFi: Tak
- Maks. moc promieniowania: <5mW
- Interfejs komunikacji bezprzewodowej: IEEE 802.11 b/g/n
- Częstotliwość pracy: 2,4 GHz
- Slot kart (SD / micro SD): Tak (128 GB, Klasa 10)
- Język menu: j. polski, j. angielski, j. włoski, j. francuski, j. rosyjski, j. niemiecki, j. hiszpański
- Format zapisywanych plików Wideo: MOV, Zdjęcia: JPG
- Temperaturowy zakres pracy monitora: 0ºC ~ +40ºC
- Wymiary monitora (W x SZ x G): 162 x 260 x 25 mm
- Waga netto monitora: 431 g
- Kolor ramki: czarny
Zestaw wideodomofonowy 1-rodzinny Eura VDP-86A3 Wi-Fi 10″ – specyfikacja ogólna:
- System: Eura Connect+
- Monitor: VDA-86A3
- Kaseta zewnętrzna: VDA-84A3
- Zasilacz: 2 x VZA-63A3
- Napięcie zasilania: 12 V DC
- Parametry sygnału wideo: 1Vp-p 75 Ohm CCIR
- Ilość przewodów łączących: 4
- Ilość obsługiwanych wyjść: 2
- Kolor dominujący: czarny
- Breloki w zestawie: tak, 5 sztuk





| Marka | EURA |
| Indeks | 46660 |
| GPSR – email | Na stronie producenta |
| GPSR – nazwa | Eura-Tech Sp. z o.o. |
| GPSR – adres | Przemysłowa 35A, Wejherowo, 84-200 |
| Model | VDP-86A3 |
| Gwarancja dla firm | 24 miesiące |
| Gwarancja | 24 miesiące |
| Obsługa dodatkowych kamer CCTV | Tak |
| Wbudowane gniazdo pamięci zew. SD | Tak |
| Wbudowana pamięć | Nie |
| Obsługa bramy wjazdowej | Tak |
| Funkcja interkomu | Tak |
| Regulacja głośności wywołania | Tak |
| Regulacja głośności rozmowy | Tak |
| Regulacja kontrastu | Tak |
| Regulacja jaskrawości | Tak |
| Adresowniki | Nie |
| Tagi | wideodomofon wideodomofony wideodomofon wifi wideodomofon eura wideodomfon z klawiaturą |
| Jakość obrazu | 2 Mpx / Full HD |
| Rodzaje montażu | Natynk |
| Typ monitora | Głośnomówiący |
| Waga | 1.2 kg |
| Rodzaj ekranu | LCD TFT |
| Wielkość ekranu | 10” |
| Rozdzielczość ekranu | 1024 × 600 pikseli |
| Napięcie zasilania urządzenia | 12 V |
| Natężenie zasilacza | 1.00 A |
| Obsługiwana ilość wejść | 2.00 szt. |
| Max. Ilość monitorów | 5.00 szt. |
| Materiał obudowy kamery | stop aluminium |
| Sposób montażu kamery | Natynkowy |
| Przetwornik obrazu kamery | Kolor CMOS 1/4” |
| Typ oświetlacza | Diody LED |
| Kąt widzenia kamery w poziomie | 120.00 ° |
| Zakres temperatury pracy | -15ºC ~ +45ºC |
| Funkcje dodatkowe urządzenia | obłsługa przez aplikację Tuya |
| Wymiar monitora | 162 x 260 x 25 mm |
| Wymiary kamery | 170 x 65 x 39 mm |
| Ilość przewodów kamera-monitor | 4.00 szt. |
| Rodzaj domofonu | 1.00 – rodzinny |
| Funkcja wykonywania zdjęć | Tak |
| Możliwość rozbudowy o kolejny monitor | Tak |
Informacje dodatkowe
| Waga | 1,2000 kg |
|---|---|
| Producent | EURA |
| Rodzaje montażu | Natynk |
| Typ monitora | Głośnomówiący |
| Obsługa dodatkowych kamer CCTV | Tak |
| Rodzaj ekranu | LCD TFT |
| Wielkość ekranu | 10'' |
| Rozdzielczość ekranu | 1024 × 600 pikseli |
| Napięcie zasilania urządzenia | 12 V |
| Natężenie zasilacza | 1 A |
| Wbudowane gniazdo pamięci zew. SD | Tak |
| Wbudowana pamięć | Nie |
| Obsługiwana ilość wejść | 2 szt. |
| Obsługa bramy wjazdowej | Tak |
| Max. Ilość monitorów | 5 szt. |
| Materiał obudowy kamery | stop aluminium |
| Sposób montażu kamery | Natynkowy |
| Funkcja interkomu | Tak |
| Przetwornik obrazu kamery | Kolor CMOS 1/4'' |
| Typ oświetlacza | Diody LED |
| Kąt widzenia kamery w poziomie | 120 ° |
| Zakres temperatury pracy | -15ºC ~ +45ºC |
| Funkcje dodatkowe urządzenia | obłsługa przez aplikację Tuya |
| Wymiar monitora | 162 x 260 x 25 mm |
| Wymiary kamery | 170 x 65 x 39 mm |
| Regulacja głośności wywołania | Tak |
| Regulacja głośności rozmowy | Tak |
| Regulacja kontrastu | Tak |
| Regulacja jaskrawości | Tak |
| Ilość przewodów kamera-monitor | 4 szt. |
| Rodzaj domofonu | 1 – rodzinny |
| Adresowniki | Nie |
| Możliwość rozbudowy o kolejny monitor | Tak |
| EAN | 5905548279220 |














Opinie
Na razie nie ma opinii o produkcie.